Cookie preferences
This website uses cookies, which are necessary for the technical operation of the website and are always set. Other cookies, which increase the comfort when using this website, are used for direct advertising or to facilitate interaction with other websites and social networks, are only set with your consent.
Configuration
Technically required
These cookies are necessary for the basic functions of the shop.
"Allow all cookies" cookie
"Decline all cookies" cookie
CSRF token
Cookie preferences
Currency change
Customer-specific caching
Individual prices
Selected shop
Session
Comfort functions
These cookies are used to make the shopping experience even more appealing, for example for the recognition of the visitor.
Note
Statistics & Tracking
Affiliate program
Track device being used
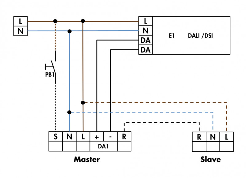
BEG Aufputz Präsenzmelder PD4-M-DALI/DSI-K-AP
Order number: 7000539
Short information
- Order number: : 7000539
- Dimensions: 98x63 mm
Dimensions
(ØxH) in mm
98x63
Product Information Occupancy detector designed for corridors, daylight-dependent... more
Product information "BEG Aufputz Präsenzmelder PD4-M-DALI/DSI-K-AP"
Product Information
- Occupancy detector designed for corridors, daylight-dependent lighting control
- DALI / DSI interface for control of digital dimmable electronic ballasts as a group
- Switching between DALI and DSI programming possible with DIP switch and remote control
- Version as Master device
- Extension of the detection area with slave devices possible
- Manual switching and dimming via push button possible
- Additional functions can be set up using the optional remote control.
- Factory settings 10 min and 500 lux
- There are markings for adjusting the detector
- Orientation light function
- Typical application: monitoring of long corridors
Technical Data
Voltage:
110 - 240 V AC 50 / 60 Hz
Dimensions:
FC= Ø 97 x 103 mm
SM= Ø 98 x 63 mm
Power consumption:
approx. 1 W
Detection area:
vertical 360°
Range:
max. Ø 40 m across
max. Ø 20 m towards
Monitored area (tangential movement):
250 m² / 2.5 m Mounting height
Mounting height
min./max./recommended:
2.4 m / 2.6 m / 2.5 m
Degree / class of
protection:
FC= IP20 / Class II
SM= IP20 / Class II
Ambient temperature:
-25 °C to +50 °C
Housing:
Polycarbonate, UV-resistant
Channel 1 (lighting control)
DALI output:
up to 50 DALI / DSI-EB
Follow-up time:
1 min - 30 min
Orientation light:
10 - 30 % / OFF / 5 min - 60 min / ∞
Brightness set value:
10 - 2000 Lux
Mixed light measuring
Related links to "BEG Aufputz Präsenzmelder PD4-M-DALI/DSI-K-AP"
Technical Details:
| Dimensions: | 98x63 mm |
| Net Weight: | 246 g |
| Weight incl. Packaging: | 0.245 kg |
| Barcode: | 4007529925308 |
| Technische Details s. Beschreibung | |
Viewed


