Cookie preferences
This website uses cookies, which are necessary for the technical operation of the website and are always set. Other cookies, which increase the comfort when using this website, are used for direct advertising or to facilitate interaction with other websites and social networks, are only set with your consent.
Configuration
Technically required
These cookies are necessary for the basic functions of the shop.
"Allow all cookies" cookie
"Decline all cookies" cookie
CSRF token
Cookie preferences
Currency change
Customer-specific caching
Individual prices
Selected shop
Session
Comfort functions
These cookies are used to make the shopping experience even more appealing, for example for the recognition of the visitor.
Note
Statistics & Tracking
Affiliate program
Track device being used
BEG Aufputz Präsenzmelder PD2-S-AP
Order number: 7000545
Short information
- Order number: : 7000545
- Dimensions: 98x50 mm
Dimensions
(ØxH) in mm
98x50
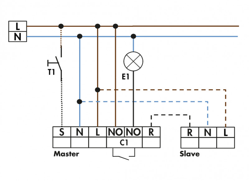
Part No. 92152 Product Information Slave device detector... more
Product information "BEG Aufputz Präsenzmelder PD2-S-AP"
Part No. 92152
Product Information
- Slave device detector with circular detection area
- For extending the detection area of a Master device
- Trigger pulse to master device upon detected movement independent of the ambient light level
- Compatible with all Master devices except: PD4-M-DS-FC, 11-48V units, PD9-M-SDB, PD4-M-DAA4G, Indoor 140-L, PD2N-M-1C-LED
- Typical applications:
Offices, conference rooms, schools, nursery schools, hospitals
Technical Data
Voltage:
110 - 240 V AC 50 / 60 Hz
Dimensions:
SM= Ø 98 x 50 mm
FM= Ø 98 x 65 mm
FC= Ø 80 x 85 mm
Power consumption:
approx. 0.2 W
Detection area:
vertical 360°
Range:
max. Ø 10 m across
max. Ø 6 m towards
max. Ø 4 m seated
Monitored area (tangential movement):
79 m² / 2.5 m Mounting height
Mounting height min./max./recommended:
2 m / 5 m / 2.5 m
Degree / class of protection:
SM= IP20 / Class II
FM= IP20 / Class II
FC= IP20 / Class II
Ambient temperature:
-25 °C to +50 °C
Housing:
Polycarbonate, UV-resistant
Pulse interval:
2 or 9 sec
Related links to "BEG Aufputz Präsenzmelder PD2-S-AP"
Technical Details:
| Dimensions: | 98x50 mm |
| Net Weight: | 198 g |
| Weight incl. Packaging: | 0.261 kg |
| Barcode: | 4007529921522 |
| Technische Details s. Beschreibung | |
Viewed


